炼油/炼化油气回收治理
—
石油炼制工业是把原油通过石油炼制过程加工为各种石油产品的工业;包括石油炼厂、石油炼制的研究和设计机构等,石油炼厂中的主要生产装置通常有:原油蒸馏(常、减压蒸馏)、热裂化、催化裂化、加氢裂化、石油焦化、催化重整以及炼厂气加工、石油产品精制等,主要生产汽油、喷气燃料、煤油、柴油、燃料油、润滑油、石油蜡、石油沥青、石油焦和各种石油化工原料(包括乙烯、丙烯、丁烯、丁二烯、烷烃戊烷、苯、甲苯等)。
石油炼化工艺是一项高技术、高耗能、高污染的工艺过程;炼油炼化厂需要以安全、环保、高效的原则进行生产和管理,同时还需要在原料采集、储运和产品质量控制等方面进行科学规划和细致管理。随着石油资源的逐渐匮乏和环境保护的要求越来越高,石油炼化工艺也将逐渐朝着高效节能、清洁环保的方向进行创新和发展。
七大石油炼化工艺介绍
—
常减压蒸馏
产品:石脑油、粗柴油(瓦斯油)、渣油、沥青、减一线。
基本概念
常减压蒸馏是常压蒸馏和减压蒸馏的合称,基本属物理过程:原料油在蒸馏塔里按蒸发能力分成沸点范围不同的油品(称为馏分),这些油有的经调合、加添加剂后以产品形式出厂,相当大的部分是后续加工装置的原料。
催化裂化
产品:汽油、柴油、油浆(重质馏分油)、液体丙烯、液化气等;各自占比汽油占42%、柴油占21.5%、丙烯占5.8%、液化气占8%、油浆占12%
基本概念
催化裂化是在有催化剂存在的条件下,将重质油(例如渣油)加工成轻质油(汽油、煤油、柴油)的主要工艺,是炼油过程主要的二次加工手段,属于化学加工过程。
延迟焦化
产品:主要产品是蜡油、柴油、焦碳、粗汽油和部分气体;各自比重分别是:蜡油占23-33%、柴油22-29%、焦碳15-25%、粗汽油8-16%、气体7-10%、外甩油1-3%
基本概念
焦化是以贫氢重质残油(如减压渣油、裂化渣油以及沥青等)为原料,在高温(400~500℃)下进行深度热裂化反应。通过裂解反应,使渣油的一部分转化为气体烃和轻质油品;由于缩合反应,使渣油另一部分转化为焦炭。
加氢裂化
产品:轻质油(汽油、煤油、柴油或催化裂化、裂解制烯烃的原料)
基本概念
加氢裂化实质上是加氢和催化裂化过程的有机结合,一方面使重质油品通过裂化反应转化为汽油、煤油和柴油等轻质油品,另一方面又可防止像催化裂化那样生成大量焦炭,而且还可将原料中的硫、氯、氧化合物杂质通过加氢除去,使烯烃饱和。
溶剂脱沥青
产品:脱沥青油等
基本概念
溶剂脱沥青是加工重质油的一种石油炼制工艺,其过程是以减压渣油等重质油为原料,利用丙烷、丁烷等烃类作为溶剂进行萃取,萃取物即脱沥青油可做重质润滑油原料或裂化原料,萃余物脱油沥青可做道路沥青或其他用途。
加氢精制
精制产品:精制改质后的汽油、柴油、煤油、润滑油、石油蜡等产品。
基本概念
加氢精制工艺是各种油品在氢压力下进行催化改质的一个统称;它是指在一定的温度和压力、有催化剂和氢气存在的条件下,使油品中的各类非烃化合物发生氢解反应,进而从油品中脱除,以达到精制油品的目的。
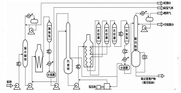
催化重整
主要产品:高辛烷值的汽油、苯、甲苯、二甲苯等产品(这些产品是生产合成塑料、合成橡胶、合成纤维等的主要原料)、还有大量副产品氢气。
基本概念
催化重整装置:用直馏汽油(即石脑油)或二次加工汽油的混合油作原料,在催化剂(铂或多金属)的作用下,经过脱氢环化、加氢裂化和异构化等反应,使烃类分子重新排列成新的分子结构,以生产C6~C9芳烃产品或高辛烷值汽油为主要目的,并利用重整副产氢气供二次加工的热裂化、延迟焦化的汽油或柴油加氢精制。以生产芳烃为目的的重整装置还包括芳烃抽提和芳烃精馏两部分。
版权所有 © 北京清源洁华
关注我们





